-
精密铸造
阀体为精密铸造阀体,材质WCB达标、外观精细;
-
一体式设计
阀轴与阀板一体式设计,启闭灵活、密封可靠;
-
全包衬氟
阀门各部件全部包衬氟塑料,确保耐腐蚀性;
-
衬里材料
衬里材料有多种选择,可适用各种介质;
-
外观喷涂
外观采用环氧树脂喷涂,喷涂厚度达到250μm;
-
出厂试压
每台阀门出厂前均按标准试压检测。
-
-
-
产品优点
产品介绍
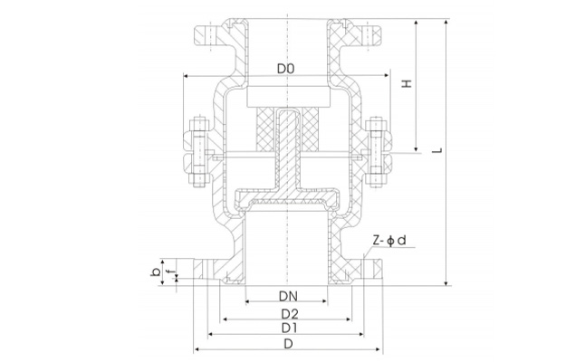
H42F46型衬氟止回阀,是一种自动防腐阀门,其通过介质自身流动驱动阀瓣启闭,阻止流体逆向流动,阀体采用衬氟工艺增强耐腐蚀性能,安装方式为立式,通过垂直升降运动实现密封。广泛应用于石油、化工、电站、制药、冶金等多种行业。
产品参数
| 名称 | 设计制造 | 结构长度 | 法兰连接 | 检验试压 |
| 参照标准 | HG/T 3704 | GB/T 12221 | HG/T 20592 | GB/T 13927 |
| 名称 | 1-阀体 | 2-阀瓣 |
| 材质及说明 | WCB+F46/PFA CF8+F46/PFA |
WCB+F46/PFA CF8+F46/PFA |
| DN | NPS | L | φD | φD1 | F | Z-d |
| 15 | 1/2'' | 80 | 95 | 65 | 3 | 4-14 |
| 20 | 3/4'' | 90 | 105 | 75 | 3 | 4-14 |
| 25 | 1'' | 100 | 115 | 85 | 3 | 4-14 |
| 32 | 1 1/4'' | 110 | 140 | 100 | 3 | 4-18 |
| 40 | 1 1/2'' | 125 | 150 | 110 | 3 | 4-18 |
| 50 | 2'' | 140 | 165 | 125 | 3 | 4-18 |
| 65 | 2 1/2'' | 160 | 185 | 145 | 3 | 8-18 |
| 80 | 3'' | 185 | 200 | 160 | 3 | 8-18 |
| 100 | 4'' | 210 | 220 | 180 | 3 | 8-18 |
| 125 | 5'' | 250 | 250 | 210 | 3 | 8-18 |
| 150 | 6'' | 300 | 285 | 240 | 3 | 8-22 |
| 200 | 8'' | 380 | 340 | 295 | 3 | 8-22 |
| 250 | 10'' | 420 | 395 | 350 | 4 | 12-22 |
| 300 | 12'' | 457 | 445 | 400 | 4 | 12-22 |
语言:简体中文
English
Русский
简体中文












