-
精密铸造阀体
阀体为精密铸造阀体,材质WCB达标、外观精细;
-
一体式设计
阀轴与阀芯一体式设计,启闭灵活、密封可靠;
-
全包衬氟塑料
阀门各部件全部包衬氟塑料,确保耐腐蚀性;
-
衬里材料可选
衬里材料有多种选择,可适用各种介质;
-
环氧树脂喷涂
外观采用环氧树脂喷涂,喷涂厚度达到250μm;
-
出厂前试压检测
每台阀门出厂前均按标准试压检测。
-
-
-
产品优点
产品介绍
FQ41F46衬氟放料球阀是采用FEP(F46)等氟塑料衬里的工业阀门,主要用于反应釜、储罐等容器底部排料。该阀门适用温度范围为-20℃~150℃,可输送王水、硫酸、盐酸、氢氟酸、强碱有机溶剂等腐蚀性介质,公称压力涵盖0.6-2.5MPa 。
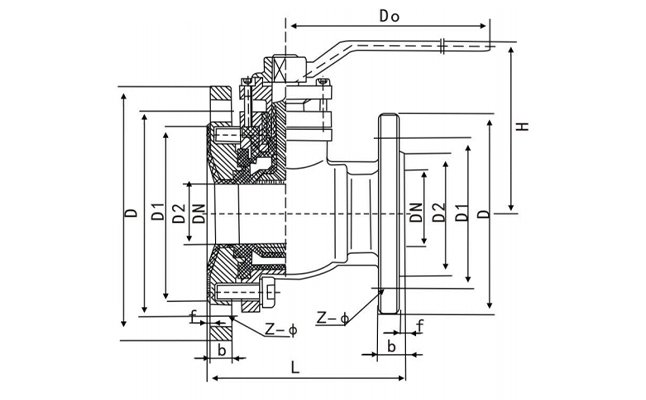
其结构采用变径法兰设计,左法兰尺寸比右法兰大一档,阀体采用熔模精密铸造工艺,过流部件全衬氟塑料,密封结构采用人字环形PTFE填料组合实现零泄漏 。驱动方式支持手动、气动、电动操作。适用于化工、制药、石油等行业腐蚀性介质管路控制。
产品参数
| 名称 | 设计制造 | 结构长度 | 法兰连接 | 检验试压 |
| 参照标准 | GB/T 12237 | GB/T 12221 | HG/T 20592 | GB/T 13927 |
| 名称 | 1-阀体 | 2-阀芯 | 3-密封 | 4-驱动 |
| 材质及说明 | WCB+F46/PFA CF8+F46/PFA |
WCB+F46/PFA CF8+F46/PFA |
PTFE | 手柄/蜗轮/电动/气动 |
| SIZE | PN10 | |||||
| DN | NPS | L | φD | φD1 | f | Z-d |
| 25/50 | 1''-2'' | 125 | 115/165 | 85/125 | 3/3 | 4-14/4-18 |
| 32/65 | 1 1/4''-2 1/2'' | 135 | 140/185 | 100/145 | 3/3 | 4-18/8-18 |
| 40/65 | 1 1/2''-2 1/2'' | 150 | 150/185 | 110/145 | 3/3 | 4-18/8-18 |
| 40/80 | 1 1/2''-3'' | 150 | 150/200 | 110/160 | 3/3 | 4-18/8-18 |
| 50/80 | 2''-3'' | 165 | 165/200 | 125/160 | 3/3 | 4-18/8-18 |
| 50/100 | 2''-4'' | 165 | 165/220 | 125/180 | 3/3 | 4-18/8-18 |
| 65/100 | 2 1/2''-4'' | 180 | 185/220 | 145/180 | 3/3 | 8-18/8-18 |
| 65/125 | 2 1/2''-5'' | 180 | 185/250 | 145/210 | 3/4 | 8-18/8-18 |
| 80/125 | 3''-5'' | 240 | 200/250 | 160/210 | 3/4 | 8-18/8-18 |
| 80/150 | 3''-6'' | 240 | 200/285 | 160/240 | 3/4 | 8-18/8-22 |
| 100/150 | 4''-6'' | 260 | 220/285 | 180/240 | 3/4 | 8-18/8-22 |
| 100/200 | 4''-8'' | 260 | 220/340 | 180/295 | 3/4 | 8-18/8-22 |
语言:简体中文
English
Русский
简体中文












