-
外观精细
阀体为精密铸造阀体,二次抛丸处理、外观精细,材质达标
-
外观精细
内件数控精密设备加工,保证精度
-
球体耐磨
球体堆焊硬质合金,增强耐磨性
-
阀座可选
阀座可以根据工况选择四氟软密封或金属硬密封
-
粉沫涂装
阀体采用粉沫环氧树脂静电涂装,喷涂厚度达到250μm,有效防止阀体与介质接触造成的腐蚀与生锈
-
粉沫涂装
每台阀门出厂均按照国家标准做壳体、密封双层压力检测
-
-
-
产品优点
产品介绍
偏心半球阀是一种比较新型的球阀类别,它有着自身结构所独有的一些优越性,如开关无摩擦,密封不易磨损,启闭力矩小。这样可减小所配执行器的规格,可实现对介质的调节和严密切断。广泛适用于石油、化工、城市给排水等要求严格切断的工况。
产品参数
| 其他可选配置 | 名称 | 阀体 | 阀座密封 | 球体 | 阀杆 | 驱动 |
| 材质及说明 | WCB/CF3M/CF8/ CF8M | 13Cr/镍合金/司太立合金/PTFE | 201/304/氮化/镀铬 | 2Cr13/304/316/316L | 手动/蜗轮/气动/电动 |
| 名称 | 设计及制造 | 结构长度 | 试压标准 | 法兰标准 |
| 参照标准 | GB/T 26146 | GB/T 12221 | GB/T 13927 | GB/T 9113 |
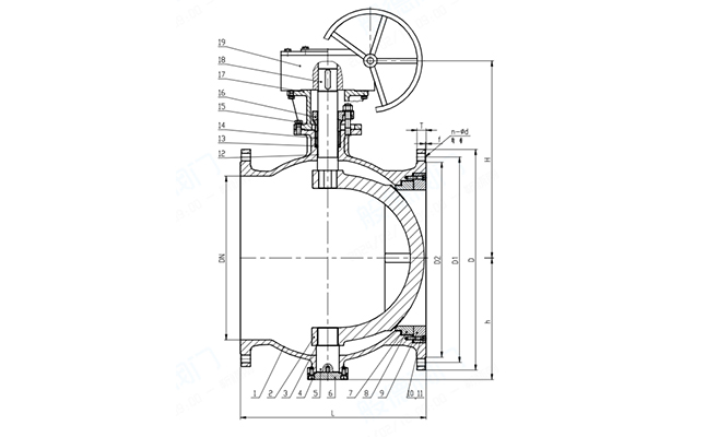
| 名称 | 1-阀体 | 2-球体 | 8-阀座 | 18-阀杆 |
| 材质及说明 | WCB | WCB+堆焊合金 | A105 | 2Cr13 |
| DN | NPS | L | ΦD | ΦD1 | ΦD2 | n-Φd |
| 50 | 2'' | 178 | 165 | 125 | 102 | 4-18 |
| 65 | 2 1/2'' | 190 | 185 | 145 | 122 | 4-18 |
| 80 | 3'' | 203 | 200 | 160 | 138 | 8-18 |
| 100 | 4'' | 229 | 220 | 180 | 158 | 8-18 |
| 125 | 5'' | 254 | 250 | 210 | 188 | 8-18 |
| 150 | 6'' | 267 | 285 | 240 | 212 | 8-22 |
| 200 | 8'' | 292 | 340 | 295 | 268 | 12-22 |
| 250 | 10'' | 330 | 405 | 355 | 320 | 12-26 |
| 300 | 12'' | 356 | 460 | 410 | 378 | 12-26 |
| 350 | 14'' | 450 | 520 | 470 | 438 | 16-26 |
| 400 | 16'' | 530 | 580 | 525 | 490 | 16-30 |
| 450 | 18'' | 580 | 640 | 585 | 550 | 20-30 |
| 500 | 20'' | 660 | 715 | 650 | 610 | 20-33 |
| 600 | 24'' | 680 | 840 | 770 | 725 | 20-36 |
| 700 | 28'' | 900 | 910 | 840 | 795 | 24-36 |
| 800 | 32'' | 1000 | 1025 | 950 | 900 | 24-39 |
| 900 | 36'' | 1100 | 1125 | 1050 | 1000 | 28-39 |
| 1000 | 40'' | 1200 | 1255 | 1170 | 1115 | 28-42 |
语言:简体中文
English
Русский
简体中文












